Manuals
Manufacturer: Toyota
Toyota Motor Corporation was founded in 1937 by Kiichiro Toyoda, initially producing wooden bodied automobiles. The company gained a global reputation for reliability and fuel efficiency, particularly through its development of the Toyota Production System. Notable technologies include hybrid systems, advanced robotics, and a long-standing commitment to quality control.
Model: Camry
Year: 1999
Code: train
The 1999 Toyota Camry TRD model typically featured a four-speed automatic transmission and a limited-slip Torsen differential. Maintenance focused on fluid changes, specifically the transmission fluid and differential fluid, along with regular inspection of the driveshaft and axles. Wear items like CV joints and rear differential gears were common concerns.
-
Apexefai apexefai.pdf -
Inputsen inputsen.pdf -
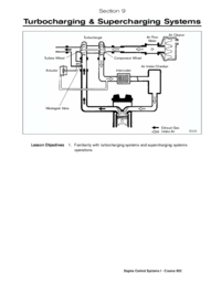
Turbocha turbocha.pdf -
Fuelsyst fuelsyst.pdf -
Apexhrea apexhrea.pdf -
Emission emission.pdf -
Idleairc idleairc.pdf -
Apexbdat apexbdat.pdf -
Diagnost diagnost.pdf -
Ignition ignition.pdf -
Onboardd onboardd.pdf -
Apexgeva apexgeva.pdf -
Input input.pdf -
Evaporat evaporat.pdf -
Apexdtec apexdtec.pdf -
Fuelsyst2 fuelsyst2.pdf -
Apexcdat apexcdat.pdf -
Engine Misfire Diagnosis engine misfire diagnosis.pdf -
Apexbeng apexbeng.pdf -
Ecmdiagn ecmdiagn.pdf -
Electron electron.pdf -
Apexacir apexacir.pdf -
Addition addition.pdf -
Apexftec apexftec.pdf -
Exhaustg exhaustg.pdf -
O2andafs o2andafs.pdf -
Apexaglo apexaglo.pdf -
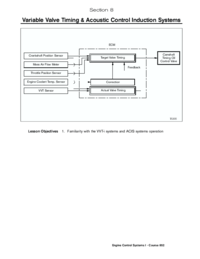
Vvtandac vvtandac.pdf -
Introduction To Engine Control Systems introduction to engine control systems.pdf -
Catalyti catalyti.pdf -
Comprehe comprehe.pdf